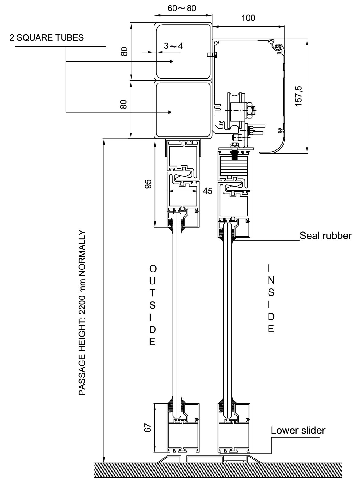
Breakout – Full Glass 45mm Profiles are specifically designed to offer a robust breakout mechanism in case of a rush towards a door should any emergency occur.
Fixed and moving leaves can be manufactured to your exact project requirements and supplied as a Full KIT for assembly locally, complete with profiles, screws, rubbers and brushes.
Also available in stock lengths as required.
Finished in clear anodised, painted white or bronze as standard, with stainless steel cladding and high quality colour painted finishes available as options.
Door Features
- Breakout full glass 45mm x 60mm profile thickness are available as a KIT or in stock lengths
- For 12mm glass thickness
- Clear anodised, white or bronze as standard. RAL colour available
- Fully furnished with rubber seals for glass fitting, as well as brushes for environment control
- Threshold with floor guides available to suit
How to Order
- E-mail measurements or project drawing
- Quotation based on information supplied
- Delivery subject to acceptance
Breakout – Full Glass 45mm Profile











